Honda Accord: Valve, Spring, and Valve Seal Installation
Special Tools Required
Stem Seal Driver, 30 mm 07PAD-0010000
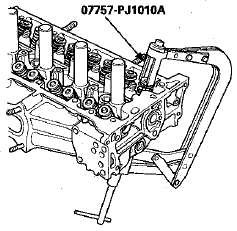
Valve Spring Compressor Attachment 07757-PJ1010A
1. Coat the valve stems with new engine oil. Install the valves in the valve guides.
2. Check that the valves move up and down smoothly.
3. Install the spring seats on the cylinder head.
4. Install the new valve seals (A) using the 5.5 mm side of the stem seal driver, 30 mm (B).
NOTE: The exhaust valve seal (C) has a black spring (D), and the intake valve seal (E) has a white spring (F).
They are not interchangeable.


5. Install the valve spring and the spring retainer. Place the end of the valve spring with the closely wound coils toward the cylinder head.
6. Install the valve spring compressor attachment and the valve spring compressor. Compress the spring, and install the valve cotters.

7. Remove the valve spring compressor and the valve spring compressor attachment.
8. Lightly tap the end of each valve stem two or three times with a plastic mallet (A) to ensure proper seating of the valve and the valve cotters. Tap the valve stem only along its axis so you do not bend the stem.

Valve Seat Reconditioning
1. Inspect the valve stem-to-guide clearance (see page
6-88). If the valve guides are worn, replace them (see
page 6-88) before cutting the valve seats.
2. Renew the valve seats in the cylinder h ...
Rocker Arm Assemblf Installation
1. Reassemble the rocker arm assembly (see page 6-82).
2. Clean and dry the No. 5 rocker shaft holder mating
surface.
3. Apply liquid gasket P/N 08717-0004, 08718-0003, or
08718-0009 to the cy ...
See also:
Carrying Items in the Passenger Compartment
Store or secure all items that could
be thrown around and hurt
someone during a crash.
Do not put any items on top of the
rear shelf. They can block your
view and be thrown around the
vehic ...
Adjusting the Sound
BASS, TREBLE, FADER, and
BALANCE are each adjustable. You
can also adjust the strength of the
sound coming from the subwoofer
speaker. In addition, you can set the
speed-sensitive volume
c ...
Starter Performance Test
1. Remove the starter (see page 4-11).
2. Firmly clamp the starter in a vise.
3. Make a connection for this test using the thickest
(gauge) wire possible (preferably the same gauge as
used on ...