Honda Accord: Transmission Installation
Special Tools Required
-Engine Hanger Adapter VSB02C000015*
•Engine Support Hanger, A and Reds AAR-T1256*
-Subframe Adapter VSB02C000016
-Subframe Alignment Pin 070AG-SJAA10S
*: Available through the Honda Tool and Equipment Program 888-424-6857.
NOTE: Use fender covers to avoid damaging painted surfaces.
1. If you did not clean the ATF cooler when you removed the transmission, and you are installing an overhauled or remanufactured transmission, clean the ATF cooler (see page 14-217).
2. Install a new O-ring (A) on the torque converter (B), then install the torque converter on the mainshaft (C).
NOTE: Make sure the torque converter is fully engaged on the mainshaft, starter shaft and the ATF pump gear. Failure to do so will result in severe transmission or engine damage.

3. Install the 14x20 mm dowel pins (D) in the torque converter housing.
4. Place the transmission on a jack, and raise the transmission to the engine level, then fit the transmission to the engine.
5. Install the rear transmission housing mounting bolts.
NOTE: Be careful not to damage the crankshaft position (CKP) sensor and the sensor harness.

6. Install the CKP sensor cover.

7. Install the front and lower transmission housing mounting bolts.

8. Remove the jack.
9. Install the upper transmission housing mounting bolts.

10. Place the jack under the transmission.
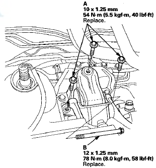
11. Install the front engine mount bracket with new bolts.

12. Install the rear engine mount bracket with new bolts.

13. Install a new set ring (A) on the intermediate shaft (B).


17. Apply the recommended grease to the right driveshaft inboard joint splines (see step 4 on page 16-20).
18. Slide the right driveshaft over the intermediate shaft splines until you feel the driveshaft fully engage the intermediate shaft set ring.
19. Install the transmission lower mounts with new bolts.

20. Remove the jack,
21. Attach the front subframe adapter (VSB02C000016) to
the f r o n t s u b f r a m e by looping the strap (A) over the

22. Raise the front subframe up to the body, then loosely install new front subframe mounting bolts (A), the stiffener mounting bolts (B), and new stiffener mounting bolts (C).
NOTE: Be careful when connecting these items:
-Front engine mount and its bracket
-Transmission lower mount and front subframe
-Knucle ball joints and lower arms

23. Loosely tighten the front subframe mounting bolt (A) in the right rear stiffener until the front subframe insulator contacts the body; insert the subframe alignment pin (070AG-SJAA1 OS) through the positioning slot (B) on the right rear stiffener, through the positioning hole (C) on the front subframe, and into the positioning hole on the body.

24. Loosely tighten the front subframe mounting bolt in the left rear stiffener in the same manner in step 23.
25. Reinsert the subframe alignment pin through the positioning slot on the right rear stiffener, through the positioning hole on the front subframe, and into the positioning hole on the body, then tighten the front subframe mounting bolt to the specified torque.
26. Tighten the front subframe mounting bolt in the left rear stiffener in the same manner in step 25.
27. Tighten the front subframe mounting bolts in the right front stiffener and the left front stiffener to the specified torque.
28. Check that the positioning holes and slots are aligned using the subframe alignment pin.
29. Tighten the rear and front stiffener mounting bolts to the specified torque.
30. Remove the jack and the front subframe adapter.
31. Replace both sides front subframe mid-mount mounting bolts.

32. Install the transmission lower mount nuts.

33. Vehicles with JHM VINs: Apply molybdenum grease to the hole in the bushing (A) in the shift cable end (B).
Attach the shift cable end to the selector control lever (C), then insert the control pin (D) into the control lever hole through the shift cable end, and secure the control pin with the spring clip (E). Do not bend the shift cable excessively.

34. Vehicles with JHM VINs: Install the shift cable bracket (F) with the two bolts (G).
35. Vehicles with JHM VINs: Install the shift cable cover (H).
36. Vehicles with 1 HG VINs: Install the selector control lever (A) over the selector control shaft (B). Secure the control lever with a new lock washer (C) and the lock bolt (D), then bend the lock tab of the lock washer against the bolt head.

37. Vehicles with 1 HG VINs: Install the shift cable bracket (E) with the two bolts (F).
38. Vehicles with 1 HG VINs: Install the shift cable cover (G).
39. Attach the torque converter to the drive plate with the eight bolts (A). Rotate the crankshaft pulley as necessary to tighten the bolts to half of the specified torque, then to the final torque, in a crisscross pattern.
After tightening the last bolt, check that the crankshaft rotates freely.

40. Install the torque converter cover (B).
41. Install exhaust pipe A with the bolts, new self-locking nuts, and new gaskets (B) (C).

42. Install the damper forks (A) over the driveshaft and onto the lower arms (B) (see step 4 on page 18-33).
Loosely install the damper pinch bolts (C) into the damper forks.

43. Install the knuckle ball joints (D) on the lower arms with the castle nuts (E) (see page 18-21).
44. Connect the damper forks and the lower arms with new damper fork mounting bolts (F), then loosely tighten a new mounting nuts (G).
45. Tighten the castle nuts to the lower torque specification, then tighten it only far enough to align the slot with the knuckle ball joint pin hole. Do not align the castle nuts by loosening it.
NOTE: Insert new cotter pins (H) into the ball joint pin holes from the front to the rear of the vehicle, and bend its end as shown. Check the ball joint pin hole direction before connecting the ball joint.
46. Install the tie-rod end ball joints to each knuckle with the nuts (I) and new cotter pins (J) (see step 32 on page 17-64).
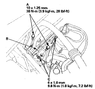
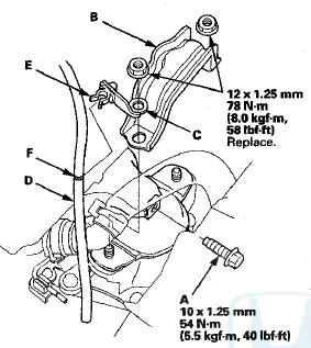
47. Position the steering gearbox on the rear engine mount base bracket.
48. Install the P/S fluid return line clamp (A) with the bolt.

49. Secure the P/S fluid return line (B) with the clamp (C).
50. Install the washers (A) between the steering gearbox and the rear engine mount base bracket, then install the gearbox stiffeners (B) and the bolts on the left side of the steering gearbox, and loosely tighten the bolts.

51. Install the steering gearbox mounting bracket bolts (A), then tighten the bolts on the left side of the steering gearbox to the specified torque.

52. Install the heat shield (B) with the bolts (C).
53. Install the rear engine mount upper bracket (A), the bolts (B), and a new bolt (C), and tighten the bolts.

54. Install the rear engine mount with new bolts (A).

55. Loosely install a new rear engine mount bolt (B).
56. Secure the P/S fluid inlet line clamp bracket (A) and the P/S fluid return hose clamp bracket (B) with the bolts.

57. Loosely install a new front engine mount bolt (A).

58. Loosely install new transmission upper mount bracket bolts.

59. Remove the engine support hanger.
60. Remove the engine hanger adapter (VSB02C000015) from the cylinder head.

61. Tighten the front engine mount bolt (A).

62. Install the front engine mount stop (B) and the clamp bracket (C).
63. Install the vacuum hose (D) on the hose clamp (E) at the mark (F).
64. Tighten the rear engine mount bolt to 78 N-m (8.0 kgf-m, 58 Ibf-ft).
65. Tighten the transmission upper mount bolts to 59 N-m (6.0 kgfm, 43 Ibf-ft).
66. Connect the ATF cooler hose (A) to the ATF cooler line (B), and secure the hose with the clip (see page 14-220).

67. Install the ATF cooler hose (C) on the hose clamp (D) at the mark (E).
68. Connect the vacuum hose (A).

69. Connect the transmission fluid pressure switch B (3rd clutch) connector (A), and install the harness clamp (B) on the clamp bracket (C).

70. Connect the ATF cooler hoses (A) to the ATF cooler lines (B), and secure the hoses with the clips (see page 14-220).

71. Connect the shift solenoid wire harness connector (A), the A/T clutch pressure control solenoid valve B connector (B), and the A/T clutch pressure control solenoid valve C connector (C), and install the harness clamp (D) on the clamp bracket (E).

72. Connect the output shaft (countershaft) speed sensor connector (A) and the input shaft (mainshaft) speed sensor connector (B).

73. Connect the A/F sensor connector (C), then install it on the connector bracket (D).
74. Connect the transmission range switch subharness connector (E), then install it on the connector bracket (F).
75. Install the engine wire harness cover bracket (G) on the ATF filter bracket (H).
76. Connect the A/T clutch pressure control solenoid valve A connector (A) and the transmission fluid pressure switch A (2nd clutch) connector (B), and install the harness clamps (C) on the clamp brackets (D).

77. Install the under-hood fuse/relay box.
78. Refill the transmission with ATF (see step 4 on page 14-192).
79. Install the battery base (see step 63 on page 5-22).
80. Install the air cleaner housing (see page 11-332) and the intake air duct.
81. Do the battery installation procedure (see page 22-92).
82. Loosely install the strut brace mounting nuts (A) on the strut brace (B), and install the hose (C) on its clamps (D).

83. Set the parking brake. Start the engine, and shift the transmission through all gears three times.
84. Check the shift lever operation, the A/T gear position indicator operation, and the shift cable adjustment.
85. Place a floor jack under the lower arm, and raise the front suspension to load it with the vehicle's weight.
Do not place the jack against the ball joint pin of the knuckle.
Tighten the damper pinch bolt and the damper fork mounting nut while holding the mounting bolt to the specified torque.
86. Tighten the lower arm mounting castle nuts to the specified torque, then install the new cotter pins onto the castle nuts (see step 5 on page 18-21).
87. Tighten the strut brace mounting nuts to 22 N-m (2.2 kgfm, 16 Ibfft).
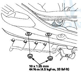
88. Install the front wheels.
89. Install the splash shield.
90. Install the front grille cover.
91. Check and adjust the front wheel alignment (see page 18-5).
92. Start the engine with the shift lever in P or N, and warm it up to normal operating temperature (the radiator fan comes on).
93. Turn the engine off, and check the ATF level (see page 14-191).
94. Do the road test (see page 14-170).
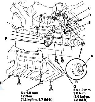
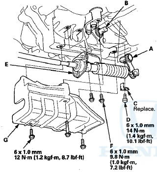
Drive Plate Removal and Installation
1. Remove the transmission assembly (see page
14-194).
2. Remove the drive plate (A) and the washer (B) from
the engine.
3. Install the drive plate and the washer on the engine,
and tighten t ...
ATF Cooler Cleaning
Special Tools Required
•ATF Cooler Cleaner GHTTTCF6H
-Magnetic Nonbypass Spin-On Filter GTHGNBP2*
*: Available through the Honda Tool and Equipment
Program 888-424-6857.
Before installing an ...
See also:
Washer Fluid Level Switch Test
Canada models
1. Remove the right inner fender (see page 20-290).
2. Disconnect the 2P connector (A) from the washer fluid
level switch (B).
3. Remove the washer fluid level switch from the
w ...
Adjust the Head Restraints
Adjust the driver’s head restraint so
the center of the back of your head
rests against the center of the
restraint.
Have passengers adjust their head
restraints properly as well. Taller ...
Crankshaft Pulley Removal and Installation
Special Tools Required
Handle, 6-25-660L 07JAB-001020B
Crankshaft Pulley Holder 07AAB-RJAA100
Socket, 19 mm 07JAA-001020A or equivalent
Removal
1 . Remove the front wheels.
2. Remove the splas ...