Honda Accord: Stereo Amplifier
Removal/Installation
With Premium Audio System
1. Remove the glove box (see page 20-174).
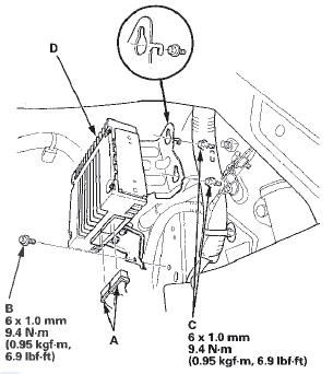
2. Disconnect the connectors (A).

3. Remove the bolt (B) and loosen the bolts (C) securing the stereo amplifier (D).
4. Lower the stereo amplifier through the footwell area.
5. Install the stereo amplifier in the reverse order of removal.
Audio-HVAC Display Unit
Removal/Installation
Without Navigation
NOTE;
• Put on gloves to protect your hands.
• Take care not to scratch the dashboard.
1. Remove the audio unit (see page 23-114) and the
center display visor (se ...
XM Receiver Removal/Installation
1. Open the trunk lid, and remove the right trunk side
trim panel {see page 20-132).
2. Disconnect the connectors (A) from the XM receiver
(B).
4-Door
3. Remove the mounting bolt (C) and lo ...
See also:
VSA Sensor Neutral Position Memorization
NOTE: Do not press the brake pedal during this
procedure.
1. Park the vehicle on a flat and level surface, with the
steering wheel in the straight ahead position.
2. With the ignition switch i ...
A/T Clutch Pressure Control Solenoid
Valve B and C Replacement
1. Do the battery removal procedure (see page 22-92).
2. Remove the battery base (see step 8 on page 5-3).
3. Disconnect the A/T clutch pressure control solenoid
valves B and C connectors.
4 ...
Trunk Lid Latch Replacement
Special Tools Required
KTC Trim Too! Set SOJATP2014*
*Available through the Honda Tool and
Equipment
Program; call 888-424-6857
NOTE:
- Put on gloves to protect your hands.
- Take care not t ...