Honda Accord: Side Impact Sensor (First) Replacement
4-Door
Removal
1. Do t h e battery t e r m i n a l d i s c o n n e c t i o n procedure (see page 22-91), t h e n w a i t at least 3 m i n u t e s before s t a r t i ng work.
2. Remove t h e B-pillar l o w e r t r im (see page 20-110).
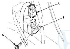
3. Disconnect t h e SRS f l o o r w i r e harness 2P connector (A) from t h e side impact sensor (first) (B).

4. Remove t h e TORX bolt (C) u s i n g a TORX T30 b i t , t h en remove t h e side impact sensor (first).
Installation
1. Install t h e s i de impact sensor (first) (A) w i t h a n ew TORX bolt (B), u s i n g a TORX T30 bit. Connect t h e SRS f l o o r w i r e harness 2P connector (C) t o t h e side impact sensor (first).

2. Do t h e battery t e r m i n a l reconnection procedure (see page 22-91).
3. Clear any DTCs w i t h t h e HDS (see page 24-38).
4. C o n f i rm proper SRS o p e r a t i o n : T u r n t h e i g n i t i on s w i t c h t o O N (II); t h e SRS i n d i c a t o r s h o u l d c o m e on f o r about 6 seconds and t h e n g o off.
5. Reinstall all r e m o v e d parts.
2-Door
Removal
1. Do the battery terminal disconnection procedure (see page 22-91), then wait at least 3 minutes before, starting work.
2. Remove the door sill trim (see page 20-105).
• 4-door (see page 20-107) • 2-door (see page 20-105) 3. Turn over the rear portion of the carpet as needed.
4. Disconnect the SRS floor wire harness 4P connector (A), from the side impact sensor (first) (B).

5. Remove the TORX bolt (C) using a TORX T30 bit, then remove the side Impact sensor (first).
Installation
1. Install the side impact sensor (first) (A) with a n ew TORX bolt (B), using a TORX T30 bit. Connect the SRS floor wire harness 4P connector (C) to t h e side impact sensor (first).

2. Do the battery terminal reconnection procedure (see page 22-91).
3. Clear any DTCs with the HDS (see page 24-38).
4. Confirm proper SRS operation: Turn the ignition switch to ON (II); the SRS indicator should come on for about 6 seconds and then go off.
5. Reinstall all removed parts.
SRS Unit Replacement
Removal
1. Do t h e b a t t e r y t e r m i n a l d i s c o n n e c t i o n procedure
(see
page 22-91), t h e n w a i t at least 3 m i n u t e s before
s t a r t i n g work.
2. Remove t h e d ...
Side Impact Sensor (Second) Replacement
4-Door
Removal
1. Do t h e b a t t e r y t e r m i n a l d i s c o n n e c t i o n procedure
(see
page 22-91), t h e n w a i t at least 3 m i n u t e s before
s t a r t i ng work.
2. Remove t ...
See also:
Supplemental restraint system (SRS) (if steering maintenance is required)
The Accord SRS includes a driver's airbag in the steering wheel hub, a
passenger's airbag in the dashboard
above the glove box, seat belt tensioners in the front seat belt retractors,
side curtai ...
TPMS Control Unit Replacement
NOTE: Make sure the TPMS control unit mounting
bracket is not bent or twisted as this may affect its
communication with the tire pressure sensors.
1. Turn the ignition switch to LOCK (0).
2. R ...
How Your Side Curtain Airbags Work
In a moderate to severe side impact,
sensors will detect rapid acceleration
and signal the control unit to
instantly inflate the side curtain
airbag.
If the impact is on the passenger’s
...