Honda Accord: Shift Lever Removal
1. Remove the center console (see page 20-158).
2. Move the shift lever to R.
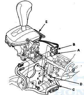
3. Remove the nut securing the shift cable end.

4. Unlock the retainer (A).

5. Rotate the socket holder retainer (A) counterclockwise (B) until it stops, and push the retainer lock (C) into the socket holder retainer to lock the retainer.

6. Slide the socket holder (A) away from the bracket as shown to remove the shift cable (B) from the shift cable bracket (C). Do not remove the shift cable by pulling the shift cable guide (D).

7. Disconnect the shift lock solenoid connector (A) and the park pin switch/A/T gear position indicator panel light connector (B).
Type A Shift Lever

Type B Shift Lever

8. Remove the shift lock solenoid connector, the park pin switch/A/T gear position indicator panel light connector, and the harness cover (C) from the shift lever bracket base.
9. Remove the shift lever mounting bolts (D), then remove the shift lever assembly (E).
ATF Filter Replacement
NOTE: The ATF filter is not a scheduled maintenance
item. Replace the filter only if it is leaking, or
contaminated, or when the transmission is being
overhauled or replaced with a remanufactured u ...
Shift Lever Installation
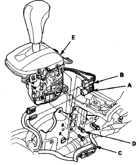
1. Install the shift lever assembly (A).
Type A Shift Lever
Type B Shift Lever
2. Connect the shift lock solenoid connector (B) and the
park pin switch/A/T gear position indicator panel light
...
See also:
Shift Lever Housing Replacement
NOTE:
- Use the appropriate tool from the KTC trim tool set to
avoid damage when removing components.
- Take care not to scratch the center console,
dashboard, and related parts.
1. Remove th ...
Audio/Information Screen
Displays the audio status and wallpaper. From this screen, you can go to
various
setup options.
• Switching the Display
Press the DISP button to go to the Function Change screen.
Ro ...
Accessories and Modifications
Modifying your vehicle, or installing
some non-Honda accessories, can
make your vehicle unsafe. Before
you make any modifications or add
any accessories, be sure to read the
following inform ...