Honda Accord: Rocker Arm Oil Control Valve
Removal/Installation
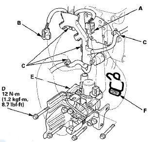
All models except PZEV
1. Remove the strut brace (see page 20-306).
2. Disconnect the rocker arm oil control solenoid connector (A) and the rocker arm oil pressure switch connector (B).

3. Remove the harness clamps (C) and the bolts (D).
4. Remove the rocker arm oil control valve assembly (E) and the rocker arm oil control valve filter (F).
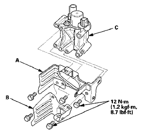
5. Remove the engine wire harness bracket (A) (also (B) (if equipped)) from the rocker arm oil control valve (C).

6. Install the parts in the reverse order of removal with a new rocker arm oil control valve filter.
PZEV model
1. Remove the strut brace (see page 20-306).
2. Disconnect the rocker arm oil control solenoid A connector-(A), the rocker arm oil control solenoid B connector (B), the rocker arm oil pressure switch A connector (C), and the rocker arm oil pressure switch B connector (D).

3. Remove the harness clamps (E) and the bolts (F).
4. Remove the rocker arm oil control valve assembly (G) and the rocker arm oil control valve filter (H).
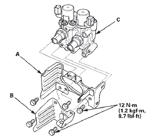
5. Remove the engine wire harness bracket (A) (also (B) (if equipped)) from the rocker arm oil control valve (C).

6. Install the parts in the reverse order of removal with a new rocker arm oil control valve filter.
CMP Sensor A Replacement
1. Disconnect the CMP sensor A 3P connector (B).
2. Remove CMP sensor A from the intake camshaft side
of the cylinder head.
3. Install the parts in the reverse order of removal with a
new O-ri ...
Rocker Arm Oil Pressure Switch
Removal/Installation
All models except PZEV
1. Disconnect the rocker arm oil pressure switch
connector (A).
2. Remove the rocker arm oil pressure switch (B).
3. Install the parts in the reverse order of removal wi ...
See also:
Shift Cable Adjustment
1. Remove the center console (see page 20-158).
2. Move the shift lever to R.
3. Remove the nut securing the shift cable end.
4. Unlock the retainer (A).
5. Rotate the socket holder retain ...
Interior Care
Use a damp cloth with a mixture of mild detergent and warm water to remove
dirt.
Use a clean cloth to remove detergent residue.
Do not spill liquids inside the vehicle.
Electrical devices and ...
Seat Belt Maintenance
For safety, you should check the
condition of your seat belts regularly.
Pull each belt out fully, and look for
frays, cuts, burns, and wear. Check
that the latches work smoothly and
the belt ...