Honda Accord: Rocker Arm Assembly Removal
1 Remove the cam chain (see page 6-62).
2. Loosen the rocker arm adjusting screws (A).

3. Remove the camshaft holder bolts. To prevent damaging the camshafts, loosen the bolts, in sequence, two turns at a time.
NOTE: Bolt
is not on all engines.

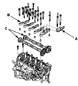
4. Remove cam chain guide B (A), the camshaft holders (B), and the camshafts (C).

5. Insert the bolts (A) into the rocker shaft holder, then remove the rocker arm assembly (B).

Cylinder Head Inspection for
Warpage
1. Remove the cylinder head (see page 6-76).
2. Inspect the camshaft (see page 6-84).
3. Check the cylinder head for warpage. Measure along
the edges, and three ways across the center.
- If ...
Rocker Arm and Shaft Disassembly/Reassembly
NOTE:
- Identify each part as it is removed so that each item can be
reinstalled in its original locations,
a Inspect the rocker arm shaft and rocker arms (see page 6-83).
- I ...
See also:
Side Impact Sensor (Second) Replacement
4-Door
Removal
1. Do t h e b a t t e r y t e r m i n a l d i s c o n n e c t i o n procedure
(see
page 22-91), t h e n w a i t at least 3 m i n u t e s before
s t a r t i ng work.
2. Remove t ...
Shift Lever Position Indicators
These indicators on the instrument
panel show which position the shift
lever is in.
Using a paddle shift mode, the gear
position indicator shows you the
selected gear number.
The ‘‘D ...
Safe Driving
...