Honda Accord: Mainshaft Bearing and Oil Seal
Replacement
Special Tools Required
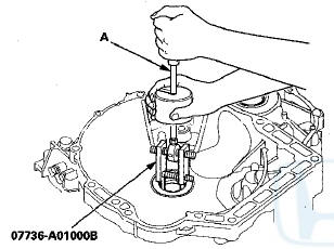
-Adjustable Bearing Puller, 2 5 - 4 0 mm 07736-A01000B
-Driver Handle, 15 x 135L 07749-0010000
-Attachment, 62 x 68 mm 07746-0010500
-Attachment, 72 x 75 mm 07746-0010600
1. Remove the mainshaft bearing and the oil seal using the 25—40 mm adjustable bearing puller and a commercially available 3/8 "-16 slide hammer (A).

2. Install a new mainshaft bearing until it bottoms in the torque converter housing using the driver handle and the 62 x 68 mm attachment.

3. Install a new oil seal flush with the torque converter housing using the driver handle and the 72 x 75 mm attachment.
NOTE: Do not drive the oil seal into the torque converter housing until it bottoms out; it will block the fluid return passage and cause transmission damage.

Countershaft Bearing Replacement
Special Tools Required
-Adjustable Bearing Puller, 2 5 - 4 0 mm 07736-A01000B
-Driver Handle, 15 x 135L 07749-0010000
-Attachment, 62 x 68 mm 07746-0010500
1. Remove the countershaft bearing using ...
See also:
If the Smart Entry Remote Batteryis Weak
If the beeper sounds, the indicator on the ENGINE START/STOP button flashes,
and the engine won’t start.
The To Start, Hold Remote Near Start Button message appears on the
multiinformation
...
Fuse Locations
UNDER-HOOD FUSE BOX
INTERIOR FUSE BOX (Driver’s Side)
INTERIOR FUSE BOX (Passenger’s Side) ...
System Description
Headlights System Description
The headlight system Is composed of the driver's MICU, the passenger's MICU,
the headlight and dimmer/flash-to-pass
switches (Inside the combination light switch), th ...
