Honda Accord: Intake Manifold Removal and Installation
Exploded View

Removal
1. Do the battery removal procedure (see page 22-92).
2. Remove the front grille cover: Р’В© 2-door (see page 20-274) Р’В© 4-door (see page 20-274) 3. Remove the water separator (A) and the intake air duct (B).

4. Remove the harness clamps, then remove the battery base (see step 8 on page 5-3).
5. Remove the engine cover.

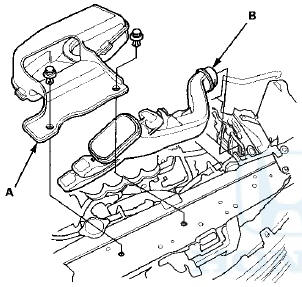
6. Disconnect the breather pipe (A), then remove the intake air duct (B).

7, Disconnect the evaporative emission (EVAP) canister
hose (A) and the brake booster vacuum hose (B).

8. Disconnect the water bypass hoses (C), then plug the
water bypass hoses.

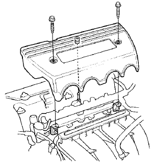
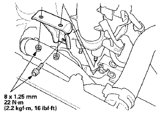
10. Remove the intake manifold bracket

11. Disconnect the vacuum hose (A) from the intake
manifold.

12. Remove the Intake manifold (A), then disconnect the positive crankcase ventilation (PCV) hose (B) from the Intake manifold.

Installation
1. Connect the positive crankcase ventilation (PCV) hose (A) to the intake manifold, then install the intake manifold (B) with new gaskets (C), and tighten the bolts and nuts in a crisscross pattern in three steps, beginning with the inner bolt.

2. Connect the vacuum hose (A) to the intake manifold.

3. Install the intake manifold bracket.

4. Connect the manifold absolute pressure (MAP) sensor connector (A) and the throttle actuator connector (B), then install the wire harness clamps (C).

5. Connect the water bypass hoses (A).

6. Connect the evaporative emission (EVAP) canister hose (B) and the brake booster vacuum hose (C).
7. Install the intake air duct (A), then connect the breather pipe (B).
NOTE: When tightening the screw of the hose band (C), align the edge of the hose band (D) with the mark (E) painted on the hose band. If you tighten the screw over the mark, replace the hose band.

8. Install the engine cover.

9. Install the battery base, then install the harness clamps {see step 63 on page 5-22).
10. Install the water separator (A) and the intake air duct (B).

11. Install the front grille cover: - 2-door (see page 20-274) - 4-door (see page 20-274) 12. Do the battery installation procedure (see page 22-92).
13. After installation, check that all tubes, hoses, and connectors are installed correctly.
14. Clean up any spilled engine coolant.
15. Refill the radiator with engine coolant, and bleed the air from the cooling system (see step 5 on page 10-6).
Exhaust Pipe and Muffler Replacement
NOTE: Use new gaskets and self-locking nuts when reassembling.
...
See also:
Recirculation Control Motor
Replacement
1. Remove the glove box (see page 20-174).
2. Disconnect the 7P connector (A) from the
recirculation control motor (B). Remove the
self-tapping screws and the recirculation control
motor from th ...
Audio System Basic Operation
To use the audio system function, the power mode must be in ACCESSORY or ON.
Use the selector knob, DISP and BACK
buttons to access some audio functions.
Press to switch between the
normal ...
Playing the XM Radio (EX-L, Canadian EX, and all V6 models without
navigation system)
Playing the XM Radio (EX-L, Canadian EX, and all V6 models without navigation
system)
Your vehicle is capable of receiving
XM Radio anywhere in the United
States and Canada, except Hawaii,
...
