Honda Accord: EVAP Canister Replacement
1. Raise the vehicle on a lift.
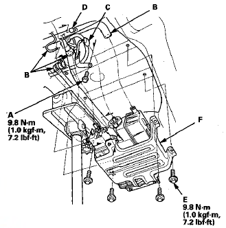
2. Remove the wheel sensor harness clamps (A)

3. Support the rear subframe with a transmission jack and a wooden block as shown.
4. Remove the rear subframe mounting bolts (B) and (C).
5. Lower the transmission jack and rear subframe about 50 mm.
NOTE: Be careful not to damage the connecting parts.
6. Remove the bolt (A), and disconnect the hoses (B), the EVAP canister vent shut valve 2P connector (C), and the FTP sensor 3P connector (D).

7. Remove the bolts (E), then remove the EVAP canister assembly (F).
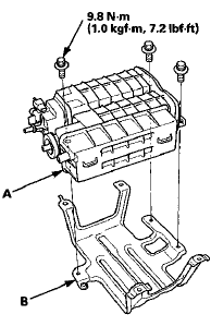
8. Remove the EVAP canister (A) from the EVAP canister bracket (B).

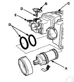
9. Remove the EVAP canister vent shut valve (A) and FTP sensor (B) from the canister (C).

10. Reassemble the EVAP canister with new O-rings (D) and a new retainer (E), then install the EVAP canister bracket.
NOTE: Do not coat the O-rings with oil.
11. Install the EVAP canister assembly to the body.
NOTE: Attach the bracket arm (A) to the body as shown.

12. Install the parts in the reverse order of removal. Use new bolts when you install the rear subframe.
13. Check the wheel alignment (see page 18-5).
Fuel Cap Warning Message System
Troubleshooting
Special Tools Required
- Vacuum Pump/Gauge, 0 - 3 0 In.Hg, Snap-on YA4000A
or equivalent, commercially available
- Vacuum/Pressure Gauge, 0 - 4 In.Hg, 07JAZ-001000B
comes on frequently, or if the ...
FTP Sensor Replacement
1. Remove the bolt (A), and disconnect the EVAP
canister vent shut valve 2P connector (B), the FTP
sensor 3P connector (C), and the hoses (D).
2. Remove the bolts (E), and move the EVAP canister
...
See also:
General Troubleshooting Information
Troubleshooting CAN Circuit Related Problems
NOTE: If you are troubleshooting multiple DTCs, be sure to follow the
instructions in B-Can System Diagnosis Test
Mode A (see page 22-134)..
Using the ...
Auto Door Locking
The auto door locking feature has
three possible settings:
The auto door locking is
deactivated all the time.
The doors lock whenever you
move the shift lever out of the
Park (P) position (A ...
Trim Removal/Installation - Pillar
Areas
Special Tools Required
KTC Trim Tool Set SOJATP2014*
*Available through the Honda Tool and
Equipment
Program; call 888-424-6857
A-Pillar Trim
SRS components are located in this area. Review the ...