Honda Accord: Damper/Spring Disassembly, Inspection, and
Reassembly
Exploded View

NOTE: When compressing the damper spring, use a commercially available strut spring compressor (Branick MST-580A or Model 7200, or equivalent) according to the manufacturer's instructions.
Disassembly
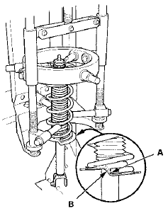
1. Compress the damper spring, then remove the self-locking nut (A) while holding the damper shaft with a hex wrench (B). Do not compress the damper spring more than necessary to remove the self-locking nut.

2. Release the pressure from the strut spring compressor, then disassemble the damper as shown in the Exploded View.
Inspection
1. Reassemble all parts, except for the damper spring.
2. Compress the damper assembly by hand, and check for smooth operation through a full stroke, both compression and extension. The damper should extend smoothly and constantly when compression is released. If it does not, the gas is leaking and the damper should be replaced.

3. Check for oil leaks, abnormal noises, and binding during these tests.
Reassembly
1. Install the spring mounting cushion (A) on the damper mounting base (B) by aligning the tabs (C) and notches (D).

2. Install all the parts except the damper mounting washer and the self-locking nut onto the damper unit by referring to the Exploded View.
3. Compress the damper spring using a strut spring compressor. Do not compress the spring excessively.
4. Align the lower end (A) of the damper spring with the stepped part (B) of the dust cover lower mount and the lower spring seat on the damper unit.

5. Align the angle of the stud (A) on the damper mounting base (B) with the welded nut (C) on the bottom of the damper unit as shown.

6. Install the damper mounting washer (A), and loosely install the new self-locking nut (B).

7. Hold the damper shaft with a hex wrench (C), and . tighten the self-locking nut to the specified torque.
8. Remove the damper/spring from the strut spring compressor.
Damper/Spring Removal and Installation
Removal
1. Raise and support the vehicle (see page 1-13).
2. Remove the rear wheel.
3. Fold down the rear seat-back, then remove the lid (A).
NOTE: For 4-door, lift up the tab (B) inside und ...
TPMS
...
See also:
Reporting Safety Defects
In the U.S.
If you believe that your vehicle has a defect which could cause a crash or
could cause injury or death, you should immediately inform
the National Highway Traffic Safety Administratio ...
Rocker Arm Oil Pressure Switch A
Removal/Installation
PZEV model
1. Remove the rocker arm oil control valve (see page
11-275).
2. Remove rocker arm oil pressure switch A.
3. Install the parts in the reverse order of removal with a
new O-ring (B) ...
About Your Audio System
See the Navigation System Manual for information on the navigation system.
The audio system features AM/FM radio and the XM® Radio service*. It can also
play
audio CDs, WMA/MP3/AAC files, Hard ...