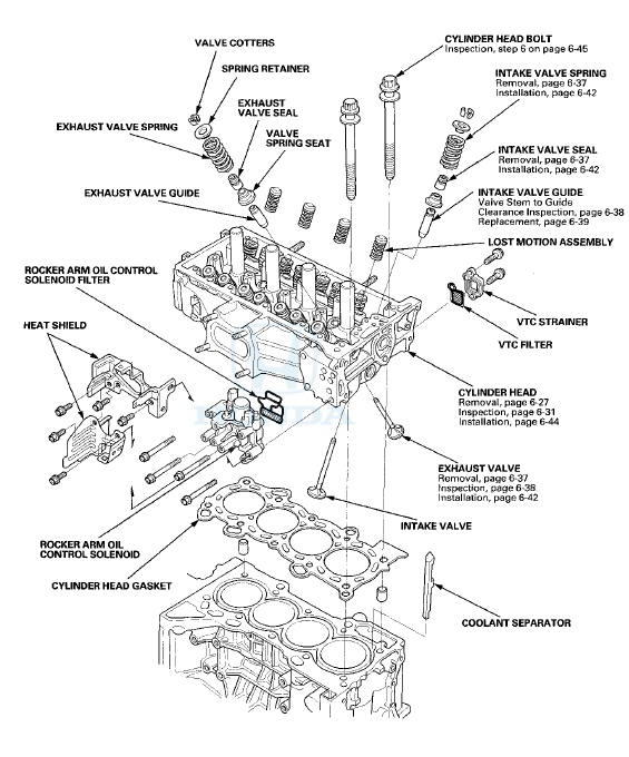
Honda Accord: Cylinder Head
Component Location Index (cont'd)


Engine Compression Inspection
NOTE: After this inspection, you must reset the engine control module (ECM)/powertrain control module (PCM), otherwise the ECM/PCM will continue to stop the fuel injectors from operating.
1. Warm up the engine to normal operating temperature (cooling fan comes on).
2. Turn the ignition switch to LOCK (0).
3. Connect the Honda Diagnostic System (HDS) to the data link connector (DLC) (see step 2 on page 11-3).
4. Turn the ignition switch to ON (II).
5. Make sure the HDS communicates with the vehicle and the ECM/PCM. If it does not communicate, troubleshoot the DLC circuit (see page 11-181).
6. Select ALL INJECTORS STOP in the PGM-FI, INSPECTION menu with the HDS.
7. Turn the ignition switch to LOCK (0).
8. Remove the four ignition coils (see page 4-20).
9. Remove the four spark plugs (see page 4-20).
10. Attach a compression gauge to the spark plug hole.

11. Step on the accelerator pedal to open the throttle fully, then crank the engine with the starter motor, and measure the compression.
Compression Pressure:
Above S32 kPa (9.5 kgf/cm2 r 135 psi)
12. Measure the compression on the remaining cylinders.
Maximum Variation: Within 196 kPa (2.0 kgf/cm2,28 psi)
13. If the compression is not within specifications, check the following items, then remeasure the compression.
- Incorrect valve clearance
- Confirmation of cam timing
- Damaged of worn cam lobes
- Damaged or worn valves and seats
- Damaged cylinder head gasket
- Damaged or worn piston rings
- Damaged or worn piston and cylinder bore
14. Remove the compression gauge from the spark plug hole.
15. Install the four spark plugs (see page 4-20).
16. Install the four ignition coils (see page 4-20).
17. Select ECM/PCM reset (see page 11-4) in the PGM-FI, INSPECTION menu to cancel ALL INJECTORS STOP with the HDS.
Special Tools
Component Location Index
...
VTEC Rocker Arm Test
Special Tools Required
. VTEC Air Stopper 07ZAJ-PNAA200
. VTEC Air Adapter 07ZAJ-PNAA101 (2)
. Air Joint Adapter 07ZAJ-PNAA300
- Air Pressure Regulator 07AAJ-PNAA101
1. Start the engine, and let ...
See also:
Idler Gear/Idler Gear Shaft
Replacement
Special Tools Required
-Driver Handle, 15 x 135L 07749-0010000
-Attachment, 32 x 35 mm 07746-0010100
1. Remove the snap ring from the idler gear/idler shaft
assembly. Do not distort the snap ring. ...
Front Door Panel Removal/Installation
Special Tools Required
-KTC Trim Tool Set SOJATP2014*
-Trim Pad Remover Snap-on A 177A,
commercially
available
*Available through the Honda Tool and
Equipment
Program; call 888-424-6857
2-do ...
Rewriting the ODO Data and
Transferring the Maintenance
Minder Data to a New Gauge Control
Module
NOTE:
• Obtain a new gauge control module before starting
the rewriting process. Only new gauges can be
rewritten.
• Rewriting is not possible on a gauge control module
that will not ...