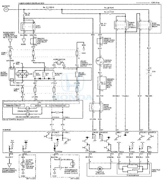
Honda Accord: Circuit Diagram
Eighth generation (2008–2012) / Honda Accord MK8 2008-2012 Service Manual / Engine Electrical / Cruise Control / Circuit Diagram

Cruise Control Input Test
NOTE: Always make sure that you have the latest Honda Diagnostic System (HDS)
software.
1. Connect the HDS to the data link connector (DLC) (see step 2 on page 11 -3).
2. Turn the ignition swi ...
See also:
Troubleshooting
B-CAN System Diagnosis Test Mode
A
Check the ECM/PCM for DTCs and troubleshoot .
ECM/PCM (see page 11-3) or F-CAN loss of
communication errors first, then do this diagnosis if the
symptom is related to the B-CAN system.
1. Comp ...
Information Display
The information display shows the odometer, trip meter, engine oil life and
maintenance service item codes, and other gauges.
• Switching the Display
Press the (Select/Reset) knob to
change th ...
Blower Unit Removal/Installation
1. Remove the glove box (see page 20-174).
2. Remove the passenger's undercover (see page
20-170).
3. Remove the right kick panel (see page 20-107).
4. Remove the dust and pollen filter asse ...
