Honda Accord: Circuit Diagram


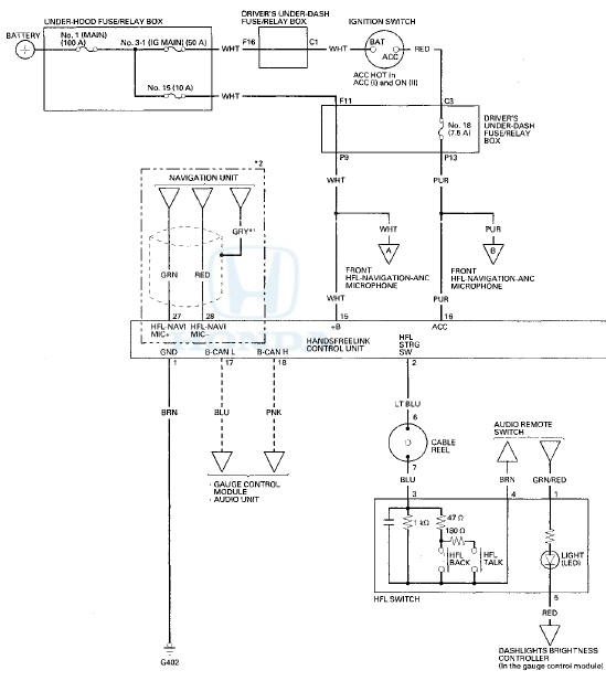
HFL System Troubleshooting
NOTE:
• Before doing this troubleshooting, refer to General Troubleshooting
Information (see page 23-254) to make sure the
phone is compatible and configured correctly.
• You must be ...
DTC Troubleshooting
DTC B1775: Microphone input/Output Short to
Power/Open
NOTE: If you are troubleshooting multiple DTCs, be sure
to follow the instructions in B-CAN system diagnosis test
mode A (see page 22-134).
...
See also:
Disc Changer Error Messages (Models without navigation system)
The chart on the right explains the
error messages you may see in the
display while playing a disc.
If you see an error message in the
display while playing a disc, press
the eject button. Af ...
Passenger's Air Mix Control Motor
Replacement
1. Remove the glove box (see page 20-174).
2, Disconnect the 4P connector (A) from the power
transistor (B), and the 7P connector (C) from the
passenger's air mix control motor (D). Remove the
s ...
Reporting Safety Defects
In the US
If you believe that your vehicle has a defect which
could cause a crash or could cause injury or death, you
should immediately inform the National Highway
Traffic Safety Administratio ...