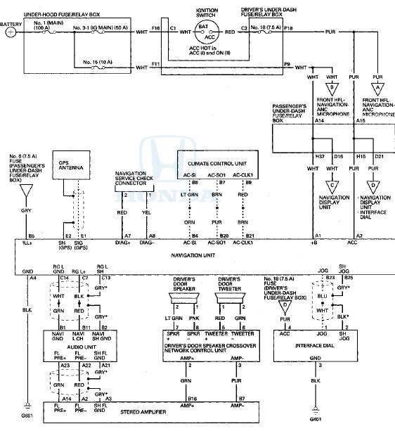
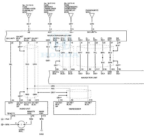
Honda Accord: Circuit Diagram




System Description
The navigation system is a highly-sophisticated, hybrid locating system that
uses satellites and a map database to show
you where you are and to help guide you to a desired destination.
The na ...
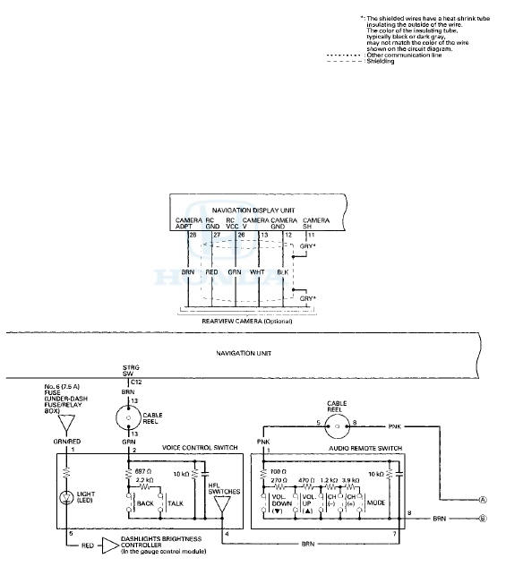
System Diagnostic Mode
Start-up procedure and Diagnostic IVieny
There are two ways t o enter the diagnostic mode:
Method 1 :
Start the vehicle. When the globe screen appears,
connect the SCS service connector (see page ...
See also:
Quarter Glass Replacement
2-door
NOTE:
- Put on gloves to protect your hands.
- Wear eye protection when removing the glass with
piano wire.
- Use seat covers to avoid damaging any surfaces.
- The quarter glass cli ...
Synchro Sleeve and Hub Inspection and
Reassembly
1. Inspect the gear teeth on all synchro hubs and
synchro sleeves for wear (rounded off corners).
2. Install each synchro hub (A) in its mating synchro
sleeve (B), and check for free movement. Ma ...
Trunk Lid Torsion Bar Replacement
Special Tools Required
Torsion Bar Assembly Tool 07AAF-SNAA100
1. Remove the trunk lid torsion bars (A) from the torsion
bar center clip (B).
3. Remove the torsion bar center clip (A) from the ...