Honda Accord: Circuit Diagram
Eighth generation (2008–2012) / Honda Accord MK8 2008-2012 Service Manual / Body Electrical / Seat Heaters / Circuit Diagram


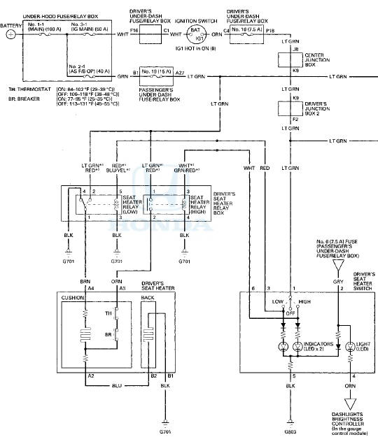
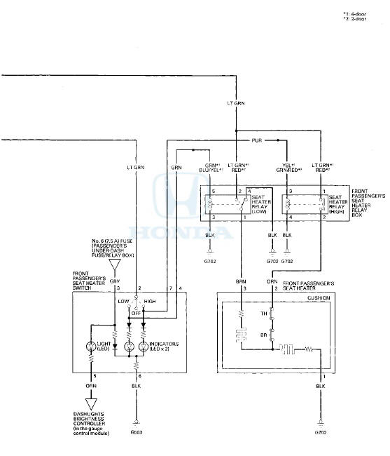
Seat Heater Test
Driver's Seat
1. Remove the driver's seat (see page 20-194).
2. Remove the seat back panel.
• 4-door (see page 20-221)
• 2-door (see page 20-213)
3. Disconnect the connector A (4P) ...
See also:
Precautions and Procedures
General Precautions
NOTE: Some systems store data in memory that is lost
when the battery is disconnected. Before disconnecting
the battery, refer to Battery Terminal Disconnection and
Reconnectio ...
Center Console Panel
Removal / Installation
Special Tools Required
KTC Trim Tool Set SOJATP2014*
*Available through the Honda Tool and
Equipment
Program; call 888-424-6857
NOTE;
- Put on gloves to protect your hands.
- Take care not t ...
Side Curtain Airbag Replacement
Removal
NOTE:
• If replacing the side curtain airbag after deployment, refer to Component
Replacement/Inspection After Deployment
(see page 24-208) for a complete list of other parts that mu ...
