Honda Accord: Circuit Diagram
Eighth generation (2008–2012) / Honda Accord MK8 2008-2012 Service Manual / Body Electrical / Power Seats / Circuit Diagram

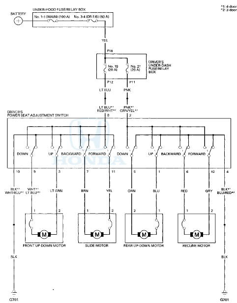
Power Seat Adjustment Switch
Test/Replacement
1. Remove the driver's seat (see page 20-194).
2. Remove the power seat adjustment switch knobs (A) and the recline cover from
the driver's seat.
• 4-door (see page 20-234)
• 2-door ...
See also:
Customer Service Information
Honda dealership personnel are
trained professionals. They should
be able to answer all your questions.
If you encounter a problem that your
dealership does not solve to your
satisfaction, pl ...
MICU Input Test
NOTE; Before testing, troubleshoot the multiplex integrated control unit
first, using B-CAN System Diagnosis Test Mode A (see page 22-134).
Drivers MICU
1. Turn the ignition switch to LOCK (0), an ...
Brake Pedal and Brake Pedal Position Switch
Adjustment
Pedal Height
1. Turn t h e brake p e d a l p o s i t i o n switch 45В°
counterclockwise, and pull it back until it is no longer
touching the brake pedal.
2. Remove the footrest (see step 4 on ...
