Honda Accord: Circuit Diagram
Eighth generation (2008–2012) / Honda Accord MK8 2008-2012 Service Manual / Body Electrical / Power Mirrors / Circuit Diagram
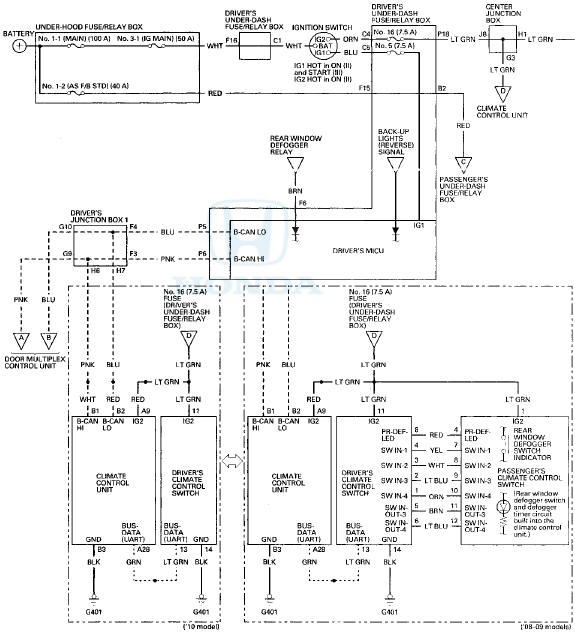
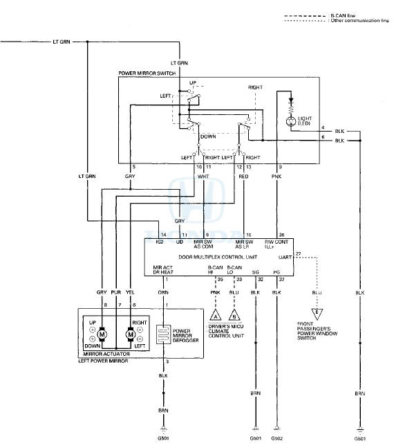
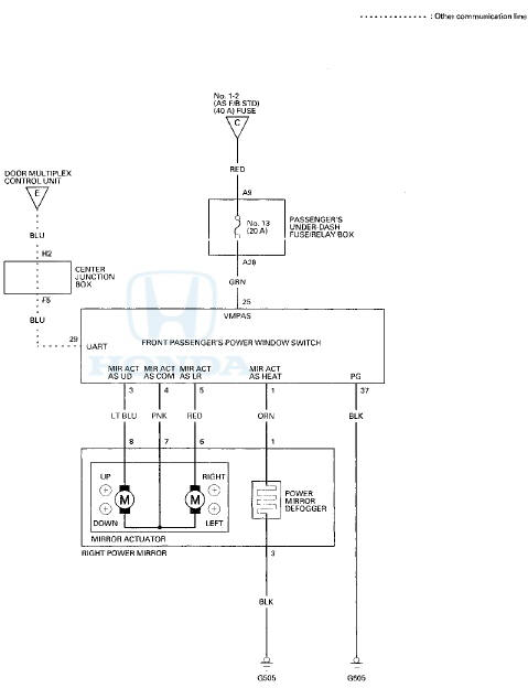
With navigation system



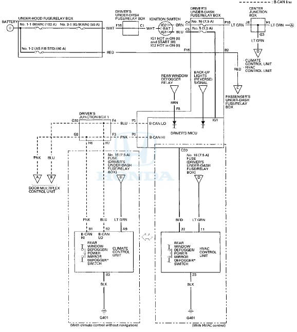
Without navigation system



Component Location Index
With navigation system
Without navigation system
...
Function Test
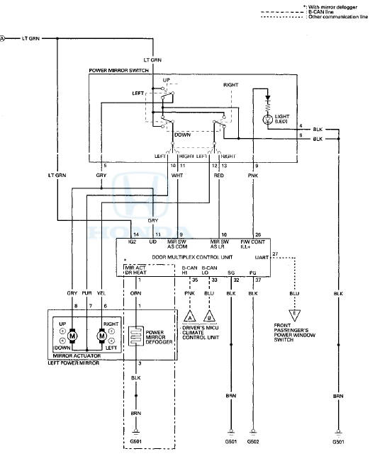
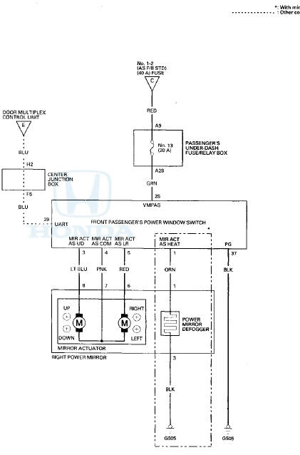
NOTE: The right power mirror is controlled by the front
passenger's power w i n d o w s w i t c h . W h e n t h e power
mirror s w i t c h is o p e r a t e d , t h e d o o r m u l t i p l e x c o n ...
See also:
To Play an iPod
This audio system can select and
play the audio files on the iPod with
the same controls used for the disc
player. To play an iPod, connect it to
the USB adapter cable in the console
compart ...
Playing Internet Radio
Connect a compatible phone through Bluetooth®.
You can also connect the phone using your dock connector to the USB port.
Make sure the audio setting is correct for the connection type.
Press t ...
Parts Marking
To deter vehicle theft, certain major components are marked with the vehicle
identification number (VIN). Original parts
have self-adhesive labels. Replacement body parts have generic self-adhesive ...