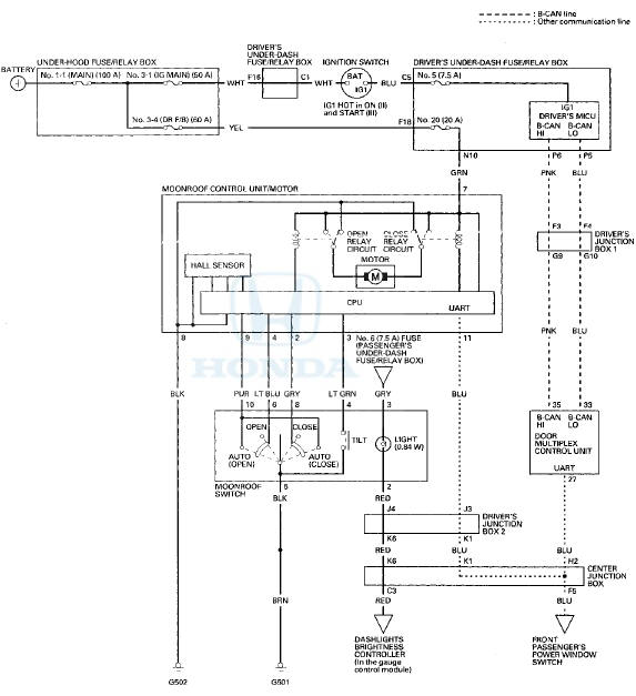
Honda Accord: Circuit Diagram
Eighth generation (2008–2012) / Honda Accord MK8 2008-2012 Service Manual / Body Electrical / Moonroof / Circuit Diagram

Resetting the Moonroof Control Unit
Resetting the moonroof is required when any of the following have occurred:
• The moonroof was moved manually while the battery was dead or disconnected.
• The moonroof motor was replace ...
Moonroof Control Unit input Test
NOTE; If the moonroof works OK manually, but will not work in AUTO, or
reverses frequently (obstacle detection), reset
the moonroof (see page 22-371) before proceeding with the input test
1. Turn ...
See also:
Transmission Fluid Inspection and Replacement
1. Raise the vehicle on a lift, and make sure it is securely
supported.
2. Remove the front splash shield (see page 20-291).
3. Remove the oil filler plug (A) and the sealing washer
(B), check ...
Rear Wheelhouse Gusset
Replacement
4-door
NOTE:
- Put on gloves to protect your hands.
- Take care not to scratch the body or the related parts.
1. Remove these items:
- Rear seat-back (see page 20-239)
- Rear seat side bolst ...
DTC Troubleshooting
DTC P0461: Fuel Level Sensor (Fuel Gauge
Sending Unit) Circuit Range/Performance
Problem
NOTE:
- Before you troubleshoot record all freeze data and
any on-board snapshot, and review the general
...