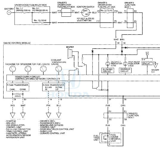
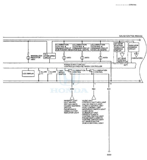
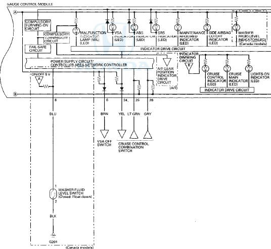
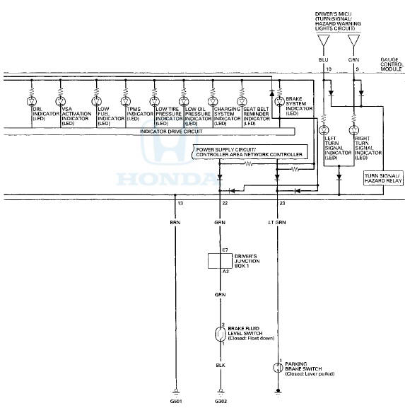
Honda Accord: Circuit Diagram
Eighth generation (2008–2012) / Honda Accord MK8 2008-2012 Service Manual / Body Electrical / Gauges / Circuit Diagram




Self-diagnostic Function
NOTE: Before testing, troubleshoot the multiplex integrated control unit
first, using B-CAN System Diagnosis Test Mode
A (see page 22-134).
The gauge control module has a self-diagnostic functio ...
DTC Troubleshooting
DTC 81152: Gauge Control Module (EEPROM)
Error
NOTE: If you are troubleshooting multiple DTCs, be sure
to follow the instructions in B-CAN System Diagnosis
Test Mode A (see page 22-134).
1. Cle ...
See also:
Door Lock Actuator Test
Driver's Door and Left Rear Door (4-door)
1 Remove the door panel.
• Front (see page 20-17)
• Rear (see page 20-38)
2. Disconnect the 10P connector (A) from the actuator
(B).
NOTE: T ...
Pump Pressure Test w i th T/N 07406-001000A or T/N
07406-001A101
Special Tools Required
-Pump Joint Adapter 07RAK-S040111 o r
P/S Joint
Adapter (pump) 07RAK-S040110
•Hose Joint Adapter 07RAK-S040122
•P/S Pressure Gauge 07408-001000A or
07406-001A1 ...
Warranty Coverages
• U.S. Owners
Your new vehicle is covered by these warranties:
New Vehicle Limited Warranty – covers your new vehicle, except for the
emissions control systems and accessories, against defects ...