Honda Accord: Circuit Diagram


Component Location Index
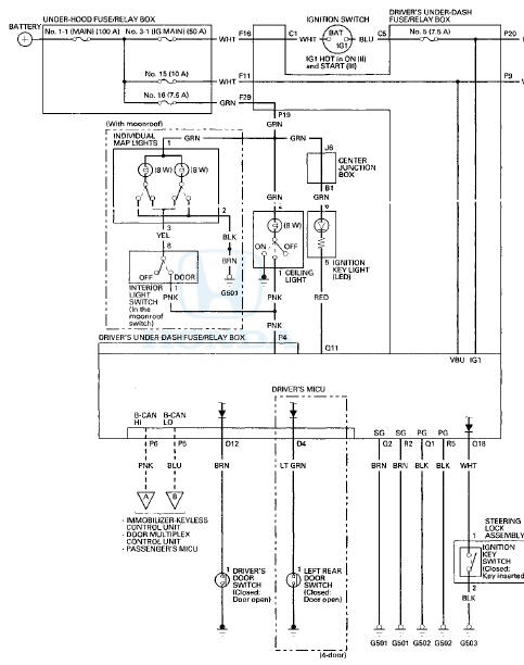
4-door with moonroof
2-door with moonroof
...
Control Unit Input Test
NOTE: Before testing, troubleshoot the multiplex integrated control unit
first, using B-CAN System Diagnosis Test Mode
A (see page 22-134),
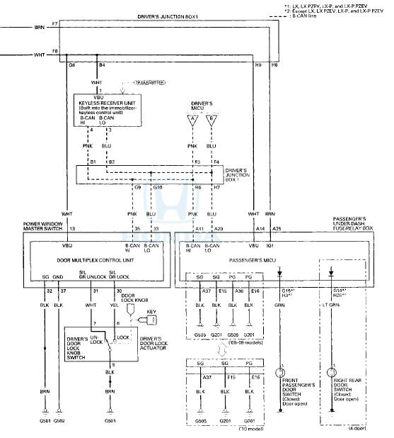
Driver's MICU
1. Turn the ignition switch to LOCK (0), ...
See also:
Trunk Pass-through Lid Lock Cylinder
Replacement
Special Tools Required
KTC Trim Tool Set SOJATP2014*
*Available through the Honda Tool and
Equipment
Program; call 888-424-6857
4-door
NOTE:
- Take care not to scratch the trunk pass-through l ...
Vehicle Stability Assist (VSA ), aka Electronic Stability
Control (ESC), System
The vehicle stability assist (VSA)
system helps to stabilize the vehicle
during cornering if the vehicle turns
more or less than desired. It also
assists you in maintaining traction
while ac ...
Driveshaft Reassembly
Exploded View
Special Tools Required
-Boot Band Tool KD-3191 or equivalent, commercially
available
•Seal Clamp Tool Kent-Moore J-35910 or
equivalent,
commercially available
-Boot Band P ...