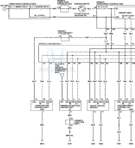
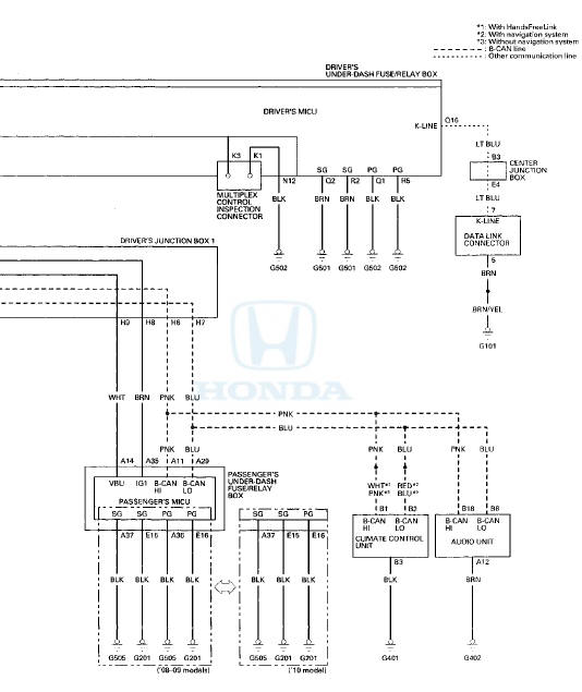
Honda Accord: Circuit Diagram


Sleep and Wake-up Mode Test
1. Shift to the sleep mode:
Close all doors. Turn the ignition switch to LOCK (0), and remove the key, then
open and close the driver's door. If the
MICU receives no further inputs listed below, i ...
DTC Troubleshooting
DTC B10A2: Driver's MICU (EEPROM) Error
NOTE: If you are troubleshooting multiple DTCs, be sure
to follow the instructions in B-CAN System Diagnosis
Test Mode A (see page 22-134).
1. Clear the D ...
See also:
General Troubleshooting Information
Sf stem Indicator
This system has four indicators;
- ABS indicator (A)
- Brake system indicator (B)
- VSA indicator (C)
- VSA activation indicator (D)
When the system is OK, each indicator com ...
Differential Thrust Clearance Adjustment
Special Tools Required
Driver Handle, 40 mm I.D. 07746-0030100
1 Remove trie left driveshaft side oil seal from the
transmission housing (see page 13-70).
2. If you removed the 80 mm shim from t ...
Vehicle Stability Assist (VSA ), aka Electronic Stability
Control (ESC), System
The vehicle stability assist (VSA)
system helps to stabilize the vehicle
during cornering if the vehicle turns
more or less than desired. It also
assists you in maintaining traction
while ac ...