Honda Accord: Circuit Diagram
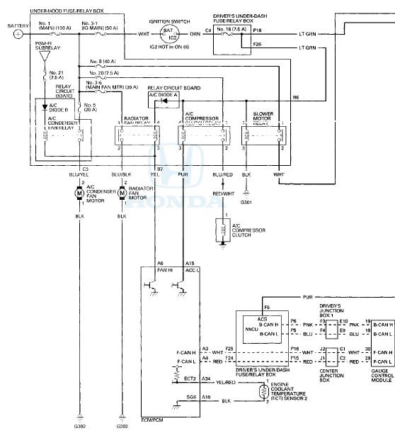
'08-09 Models


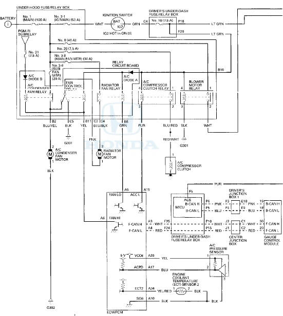
10 Model


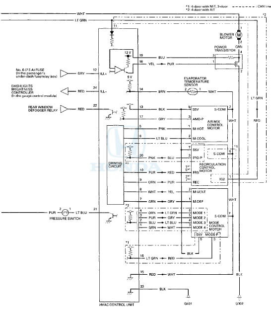
System Description
The air conditioning (A/C) system removes heat from the passenger compartment
by transferring heat from the ambient
air to the evaporator. The A/C system refrigerant expands in the evaporator, and ...
DTC Troubleshooting
DTC indicator 1: An Open in the Air Mix
Control Motor Circuit
1. Turn the ignition switch to LOCK (0), and then to
ON (II).
2. Do the self-diagnostic function with the HVAC control
unit (see pa ...
See also:
Low Oil Pressure Indicator Circuit Troubleshooting (Open)
1 Connect the Honda Diagnostic System (HDS) to the
data Jink connector (DIG) (see step 2 on page 11-3).
2. Turn the ignition switch to ON (ll).
3. Make sure the HDS communicates with the vehicl ...
Driver's Outer Middle Pad
Removal/Installation
Special Tools Required
KTC Trim Tool Set SOJATP2014*
*Available through the Honda Tool and
Equipment
Program; call 888-424-6857
NOTE:
- Take care not to scratch the dashboard or the related
pa ...
Center Console Removal/Installation
NOTE:
- Put on gloves to protect your hands.
- Take care not to scratch the front seat, the dashboard,
or the related parts.
1 . Remove these items:
- Center console panel (see page 20-157)
...