Honda Accord: Circuit Diagram
Eighth generation (2008–2012) / Honda Accord MK8 2008-2012 Service Manual / Transaxle / A/T interlock System / Circuit Diagram

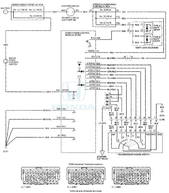
Shift Lock System Circuit
Troubleshooting
1. Connect the HDS to the DLC (A) located under the
driver's side of the dashboard.
2. Turn the ignition switch to ON (II). Make sure the HDS
communicates with the PCM. If it does not, go to the
...
See also:
Damper/Spring Disassembly, Inspection, and
Reassembly
Exploded View
NOTE: When compressing the damper spring, use a
commercially available strut spring compressor (Branick
MST-580A or Model 7200, or equivalent) according to
the manufacturer's ins ...
Disc Repeat
To replay the current disc
continuously, select DISC REPEAT,
and press ENTER on the interface
selector. As a reminder, you will see
REPEAT next to DISC on the screen.
To turn this feature off ...
Dust and Pollen Filter Replacement
1. Open the glove box. Remove the glove box stop on
the right side, then let the glove box hang down (see
page 20-174).
2. Remove the dust and pollen filter assembly (A) from
the blower unit.
...
