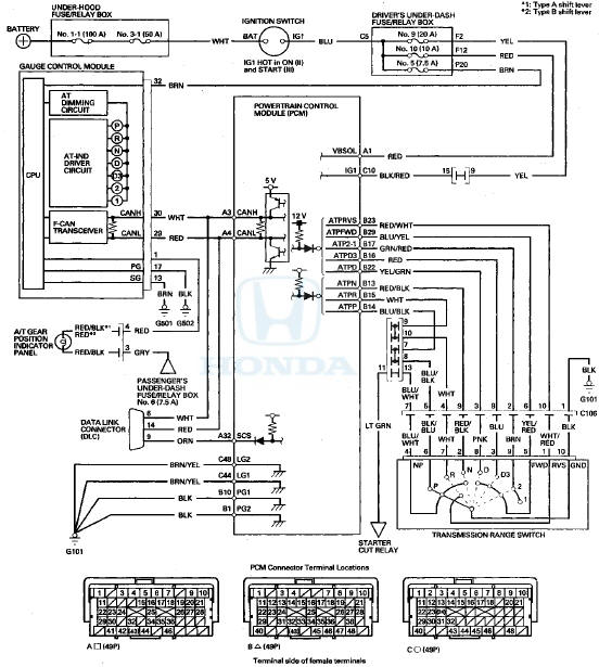
Honda Accord: Circuit Diagram
Eighth generation (2008–2012) / Honda Accord MK8 2008-2012 Service Manual / Transaxle / A/T Gear Position indicator / Circuit Diagram

Transmission Range Switch Test
1. Raise the vehicle on a lift, or apply the parking brake,
block the rear wheels, and raise the front of the
. vehicle. Make sure it is securely supported.
2. Remove the left front wheel.
3. ...
See also:
Valve, Spring, and Valve Seal
Removal
Special Tools Required
Valve Spring Compressor Attachment 07757-PJ1010A
Identify the valves and the valve springs as they are
removed so that each item can be reinstalled in its
original position. ...
ECT Sensor 2 Replacement
1. Remove the front splash shield, (see page 20-291)
2. Drain the engine coolant (see page 10-6).
3. Disconnect the ECT sensor 2 connector (A), then
remove ECT sensor 2 (B).
4. Install ECT sen ...
General Troubleshooting Information
How to Check for DTCs with the Honda
Diagnostic S f stem (HDS)
When the powertrain control module (PCM) senses an
abnormality in the input or output system, the D
indicator (A) in the gauge contro ...
