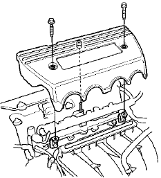
 Honda Accord: Cf Under Head Cover Mmmmm
Honda Accord: Cf Under Head Cover Mmmmm
        
1. Remove the strut brace (if equipped) (see page 20-306).
2. Remove the engine cover.

3. Remove the four ignition coils (see page 4-20).
4. Remove the dipstick (A), and the power steering (P/S) hose bracket (B) and disconnect the breather hose (C) and the brake booster vacuum hose (D).

5. Remove the two bolts (E) securing the evaporative emission (EVAP) canister purge valve bracket.
6. Remove the cylinder head cover.

 Cam Chain Inspection
Cam Chain Inspection
   Special Tools Required
Cam Chain inspection Gauge 07AAJ-RWCA100
1. Remove the front wheels.
2. Remove the splash shield (see step 25 on page 5-5).
3. Remove the cylinder head cover (see page 6 ...
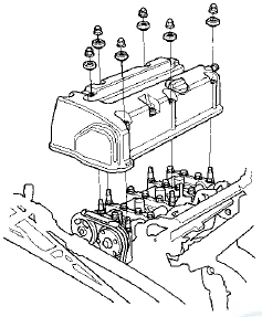
    Cylinder Head Cover Installation
Cylinder Head Cover Installation
   1. Thoroughly clean the head cover gasket and the
groove.
2. Install the head cover gasket (A) in the groove of the
cylinder head cover (B).
3. Check that the mating surfaces are clean and dry ...
   See also:
Status Log
   If you suspect there is a immobilizer system problem, check the status log.
1. Connect the HDS to the data link connector.
2. Turn the ignition switch to ON (II).
3. On the HDS screen, at MAI ...
   
Output Shaft (Countershaft) Speed
Sensor Replacement
   NOTE: For A/T models (see page 14-188).
M/T
1. Disconnect the output shaft (countershaft) speed
sensor 3P connector (A).
2. Remove the output shaft (countershaft) speed sensor
(B).
3. Instal ...
   
Symptom Troubleshooting
   Loiw tire pressure Indicator does not come on,
and no DTCs are stored
NOTE: Check for gauge DTCs with the HDS (see page
22-3). If gauge DTCs are stored, troubleshoot those DTCs
first.
1. Turn t ...
   
